Pédale d'accélérateur qui revient mal
-
Erickou
- Nouveau Membre

- Messages : 4
- Enregistré le : 07 déc. 2025 12:32
- Véhicule : Bmw (E34) 525 tds
- VIN (Les 7 derniers caractères) : BL38516
- Localisation : Landes
Pédale d'accélérateur qui revient mal
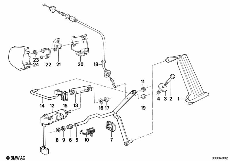
Bonjour. Suite à la remise en état de la 525 tds de mon fiston, j'ai un souci avec la pedale d'accélérateur qui semble mal revenir à sa position. Il y a un ressort au milieu mais il a l'air cassé ou très compliqué à remettre en place. Quelqu'un a déjà un ce problème ?
- Logann
- Membre Assidu

- Messages : 661
- Enregistré le : 16 janv. 2025 12:40
- Véhicule : BMW 330D E46, BMW 320i F30
- VIN (Les 7 derniers caractères) :
- Localisation : Aveyron (12)
-
Erickou
- Nouveau Membre

- Messages : 4
- Enregistré le : 07 déc. 2025 12:32
- Véhicule : Bmw (E34) 525 tds
- VIN (Les 7 derniers caractères) : BL38516
- Localisation : Landes
Re: Pédale d'accélérateur qui revient mal
J'ai pas le même je pense. Et tout le système ne tient pas en fait.
-
Erickou
- Nouveau Membre

- Messages : 4
- Enregistré le : 07 déc. 2025 12:32
- Véhicule : Bmw (E34) 525 tds
- VIN (Les 7 derniers caractères) : BL38516
- Localisation : Landes

